产品配件
品牌分类
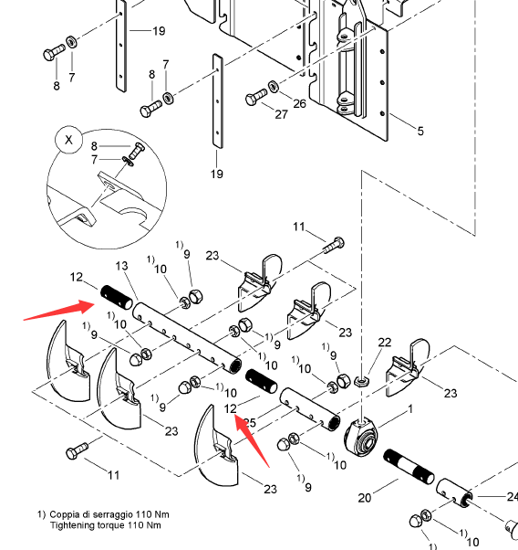
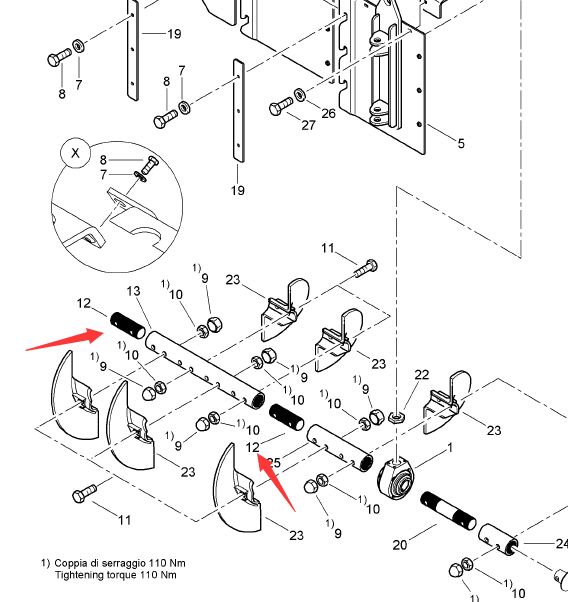
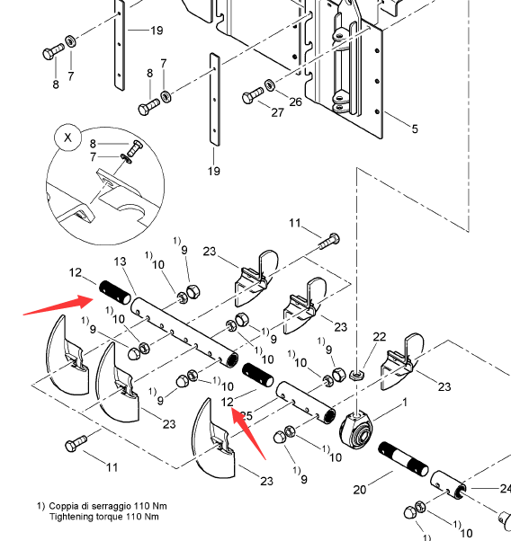
当前位置: > 首页 > 产品购买 > 螺旋轴
0
累计评论
交易成功
(库存:有)
购物指南
配送方式
支付方式
客服服务
常见问题
省内:潍坊泰安 临沂 滨州 东营
省外:宁夏 新疆 青海 陕西 甘肃 四川 云南 贵州 西藏 重庆 辽宁 吉林 黑龙江
电话联系:15965778948
省内:济南 德州 聊城 淄博 莱芜 日照
省外:湖北 湖南 河南 江西 河北 山西 北京 天津 内蒙古
电话联系:13573133717
省内:青岛 烟台 济宁 威海 枣庄
省外:江苏 安徽 浙江 福建 上海 广东 广西 海南
电话联系:15066673183
整机大修:13698643166 销售维修:15066673183 租赁:13608926127
0
累计评论