品牌:
零件号:
机型:
名    称:

当前位置: > 首页 >  产品购买 > 油管

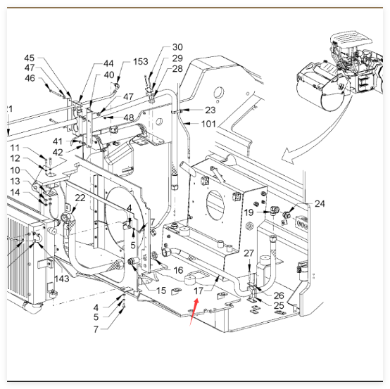
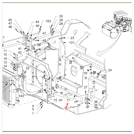
液压油管Шланг гидравлический

价格

¥.00

商城价

¥280.00

0

累计评论

0

交易成功

零件号: 1236865
配件编码:
产品品牌:HAMM(悍马)
适配机型:悍马压路机
别名: 液压油管
属性: 进口
数量

(库存:)

看了又看

液压油管Шланг гидравлический

买了该产品的又买了