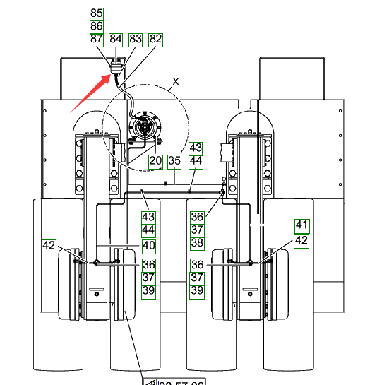
天津DYNAPAC戴纳派克压路机配件4700387272振动马达(399)
0
交易成功
天津DYNAPAC戴纳派克压路机配件4700387272振动马达(399)
天津DYNAPAC戴纳派克压路机配件4700387272振动马达(399)主要服务的机型有:CA121D CA150D CA150P CA152D CA152STD CA250D CA250STD CA252D CA262D CA270D CA302D CA500D CA510D CA512D CA602D CA610D CA702D CC100 CC102 CC102C CC103 CC103C CC122 CC122C CC123 CC123C CC125 CC132 CC142 CC422 CC422HF CC424HF CC522 CC522HF CC524HF CC622 CC622HF CC624HF CC722 CC800 CC900 CC900G CC900S CC950 CC1000 CC1100 CC1200 CC1200PLUS CC1200VI CC1250 CC1300 CC1300C CC1300PLUS CC4200 CC4200C CC4200VI CC5200 CC5200C CC5200VI CC6200 CC6200VI CP21 CP221 CP271 CP275 CP2100 等机型戴纳派克压路机全系列配件并提供戴戴纳派克压路机维修和大修业务。

济南业兴通工程机械有限公司主要戴纳派克压路机配件与维修业务,常年提供戴纳派克压路机如下配件:空滤 机滤 柴滤 油水分离器 液滤等保养套餐;提供戴纳派克压路机活塞组件 大修包 连杆 起动机 发动机 水泵 皮带 皮带涨紧轮 熄火电磁阀等发动机配件;提供戴纳派克压路机各种刮泥板 洒水泵 水过滤器 喷水嘴等洒水系统配件;常年提供戴纳派克压路机减震块 行走减速机 钢轮联轴器 行走马达 振动马达 甩块 振动轴承 振动油封 法兰盘等行走振动系统配件;常年提供戴纳派克压路机发动机气弹簧 顶棚气弹簧 侧盖气弹簧 顶棚油缸 顶棚升降液压泵 转向油缸 各种各种泵马达,各种泵马达油缸修理包等液压系统配件;常年提供各种开关 继电器 振动开关 行走控制手柄 启动开关 电瓶开关等电器件。保证质量,敬请咨询。天津DYNAPAC戴纳派克压路机配件4700387272振动马达(399)
Hello, my dear friend, we are Jinan Yexingtong Construction Machinery Co., Ltd., China. The company is committed to importing the spare parts and maintenance business of pavers, rollers, planing machines and skid loaders made in China. Founded in 2003, the company specializes in the spare parts and maintenance business of pavement equipment and road maintenance equipment, with a professional sales service team and more than 20 million spare parts inventory. The products are of high quality and affordable, and our customers are all over the world.
Our main service models and manufacturers: bomag writgen hamm vogele Carterpiler DYANPAC Volvo ABG sakai bobcats case DEUTZ Cummins SANY Zhonglian Xugong (XCMG) and other engineering machinery parts.
If you need accessories, please visit our website安机客路面机械平台 www.ajk1718.com
24-hour service hotline: 4008781718





















0
累计评论